Description
SPECIFICATIONS
Brand Name: NoEnName_Null
Type: DC/AC Inverters
Origin: Mainland China
Output Frequency: 0-650HZ
Output Type: triple
is_customized: Yes
Model Number: 9600D
Certification: CE
Choice: yes
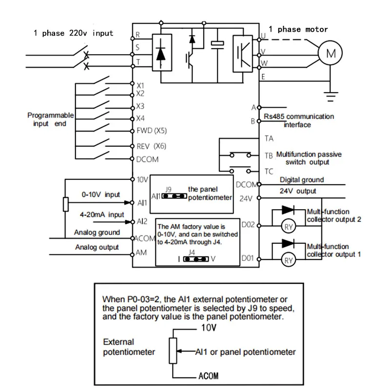
VFD AT2 0.45KW/0.75KW/1.5KW/2.2KW Single-Phase 220V In and Single Phase Out frequency converter for Single-Phase Motor
1.Output Power:0.75KW/1.5KW/2.2KW/3KW/4KW
2.Rated current:4A/7A/10A/13A/16A
2.Rated Frequency :50hz/60hz
3.Output Frequency Range:0~650Hz
4.Input Voltage Range:single phase (1 phase) 220V±15%
5.Output Voltage Range:1phase 220V±15%
6.Control way: Open loop vector control(SVC) V/F control
7.Starting Torque: G type machine:0.5Hz/150%( SVC)
8.Main function: Control and adjust the speed of the ac motor
No need to remove capacitor




지불 및 보안
Vos informations de paiement sont gérées de manière sécurisée. Nous ne stockons ni ne pouvons récupérer votre numéro de carte bancaire.
